
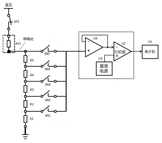
图5为北京市商泰律师事务所代理的北气新能源公司的一种对电动汽车的高压线束的绝缘性能进行测量的装置的电路连接示意图,图中包括:分压电阻电路、比较电路、单片机、显示器和可编程逻辑器件。

图5中R1、R2、R3、R4、R5构成分压电阻电路,R1、R2、R3、R4、R5取值原理如下:
参考电压源U3采用2.5V精密基准电源芯片,当Rx1分别为200kΩ、1MΩ、10MΩ、50MΩ、500MΩ时,并约束此时U4“+”输入端为临界值2.5V,建立5个方程,且分别对应5种状态方程如下所示:

虽然交底书得图5中只列出了5条分压电阻支路,但是在撰写权利要求时需要进行上位处理,将分压电阻支路的数量上位为N条,并对相应的R1、R2、R3、R4、R5取值公式进行上位,这样专利申请文件才能体现普遍性,以后才能更加有效地进行维权。下面是我上位处理后的权利要求。
设所述分压电阻支路的数量为N,第一条分压电阻支路对应所述待检测高压线束的接插件端子的绝缘电阻的最低测量量程,第二条分压电阻支路对应第二低测量量程,第N条分压电阻支路对应最高测量量程;
所述第一条分压电阻支路中包括串联连接的第一分压电阻和第一继电器开关,所述第二条分压电阻支路中包括串联连接的第一分压电阻、第二分压电阻和第二继电器开关,依次类推,所述第N条分压电阻支路中包括串联连接的第一分压电阻、第二分压电阻…第N分压电阻和第N继电器开关;
所述第一分压电阻、第二分压电阻…第N分压电阻的阻值根据预先设定的各个测量量程对应的阻值范围、基准电压和所述高压线束的输入电压,通过设定的多项方程式计算得到。
所述的第一分压电阻、第二分压电阻…第N分压电阻的阻值根据预先设定的各个测量量程对应的阻值范围、基准电压和所述高压线束的输入电压,通过设定的多项方程式组计算得到,包括:
